RiPol Subwoofer R30 - Building Instruction             RiPol 30 - Description

The Ripole looks complicated but is easy to built. Neither wood needs to be sunk nor slanted edges to be cut.RiPol unlackiert

The cabinet consists basically of four 24 mm boards. The first board is the front cover (removed in the picture to the left). Boards two and three - 12 mm each, glued together - form the baffle. Using two boards has the advantage that the boards can be cut-out separately. Countersunk milling to fit the bass driver is not necessary.RiPol im Schnitt

The fourth board forms the back of the cabinet where a 182 mm cut-out accommodates the driver's magnet. The rear panel with the magnet cut-out can clearly be seen through the baffle opening.

The baffle is roughly in the centre, between front cover and rear panel. These three panels are linked by struts thus forming one chamber in front of and one chamber behind the baffle. The rear chamber is open on one side, while the front chamber is open the opposing side.

Drawing and parts list

RiPol Bauplan The left drawing in the picture left shows the Ripole from the front.

The two larger circles indicate the two cut-outs for the bass driver, while the smaller one indicates the cut-out for the driver's magnet.

The top right drawing shows how the cabinet is assembled: left is the rear panel, then three side panels (struts), the baffle roughly in the centre, again three side panels (struts) and an finally to the right is the front cover.

All parts - except the front cover - should be glued together. For easy access the front cover should be screwed to the cabinet. An alternative way is to use 4 x M8 bolts for assembly. The front cover should be screwed to the cabinet. The bolts should be placed as close as possible to the outside edge (approx. 3 cm) to ensure the panels don't bend.

The sealing tape should be used to seal the driver's magnet against the rear panel.

The amplifier

RiPol Bauplan Verstärker The amplifier is placed in a separate casing.

The amplifier module needs to be mounted 0.5 cm above the centre of the rear wall to ensure that there is enough space for the crossover components that are mounted on the bottom board of the casing.

The spring terminals will be fastened to the outer rear panel, just above the crossover. For easy connection the subwoofer is also equipped with a spring terminal.

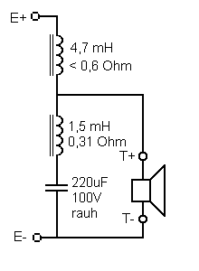
The crossover

RiPol Weiche The Ripole shows a resonance between 200 and 300 Hz since there is no acoustic short circuit. The resonance is eliminated by the crossover.

The serial circuit consisting of 1.5 mH and 220 μF represents an acoustic short circuit for the resonance frequency. The coil in series to the bass driver ensures a gradual roll-off above 100 Hz.

The frequency response is now flat.

To increase low bass between 25 and 30 Hz the subwoofer module's output may be raised
a) at 30 Hz by 3 dB or
b) at 25 Hz by 6 dB

 

Like with any subwoofer, increased low bass may cause clipping and bottoming.

For larger rooms we recommend, therefore, to use several RiPoles.

RiPoles with higher output

Doppelter RiPol For larger rooms, more volume or even lower bass several RiPoles should be employed.

They could either be stacked or placed next to one another. RiPol im Schnitt

If stacked is the preferred method then the front cover (market blue in the picture) of the top Ripole needs to have a cut-out of 182 mm diameter (marked red in the picture) to accommodate the driver's magnet of the lower RiPole.

The picture on the left shows - due to the visible joints - from top to bottom:
- basic element
- front cover with cut-out for magnet
- basic element
- front cover without cut-out for magnet

Both basic elements are shown with the large opening to the front (the picture on the top of the page shows the small opening to the front).

The bolts for the twin-stacked RiPole should have a length of 360 mm.

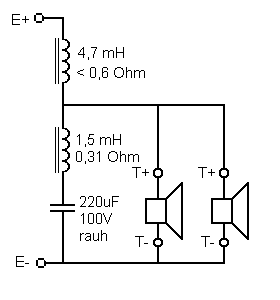
Wiring diagram and amplifier

RiPol Weiche For two RiPoles we recommend to use the same crossover, but with 4.7 mH coil for higher power handling and two 8 Ohm bass drivers that result in 4 Ohm when connected in series.

Since the total impedance of the drivers remains at 4 Ohm all other components (with the exception of the 4.7 mH coil) don't need to be changed. The 4.7 mH i-point coil is part of the kit.

With a powerful amplifier that is able drive into 2 Ohm even 4 Ripoles may be stacked. Two RiPoles need to be connected to one crossover according to the diagram on the left.

RiPol 30 - Description
Home