PA-Bausatz D2544-K12

technische Daten:
- Nennleistung: 400 Watt
- Impedanz: 8 Ohm
- Kennschalldruck (2,83V/1m): 98 dB
- max. Schalldruck (SPL peak/1 m): 127 dB
- Frequenzbereich (-8dB): 60-22 000 Hz
- Trennfrequenz: 2200 Hz
- Größe (HxBxT): 63 x 35 x 24 cm
D2544-K12

Diese Box wurde für kleine Kinos entworfen; Einsatzgebiet: HighEnd PA. Mit ihr können Sie auch Klassik-Musik hören. Die Originalboxen (Bild) wurde ohne überstehende Seiten entwickelt um allerhöchste Klangtreue zu erzielen.

Als Höchtöner wurde der Oberton Treiber D2544/16 mit dem RCF Horn H100.

Damit kombiniert wurde der Eminence Kappa 12, der einen sehr schön gleichmäßigen Frequenzgang aufweist.

Der Frequenzgang

Nachfolgender Frequenzgang wurde mit einem kalibrierten Clio Mikrofon und ohne überstehende Kanten vorn aufgenommen. Die Box war (wie für PA-Boxen üblich) unbedämpft. Für den HiFi-Einsatz empfehlen wir etwas Noppenschaumstoff für die Rückseite und 1 Pack Polyesterwatte.
  Frequenzgang
Die Übernahme ist hervorragend gelungen: man erkennt dass beide phasenrichtig passen (Kreuzungspunkt der Kennlinien ca. 6 dB unter der Gesamtfrequenzkurve).

Bild unten: Unter 30 Grad Winkel (horizontale Abweichung) von der Achse ist die Größe der Chassis zu erkennen: Der 12 Zöller, der bis 2,2 kHz überträgt, fällt hier nach den Gesetzen der Physik deutlich ab; ebenso der Hochtöner bei höchsten Frequenzen.
  Frequenzgang

Wichtig für eine hervorragende Wiedergabe ist das zügige Ausschwingverhalten, was bedeutet, dass in nachfolgendem Diagramm nach vorn die Lautstärke zügig abfällt. Dies ist sehr gut erfüllt.
  Wasserfall

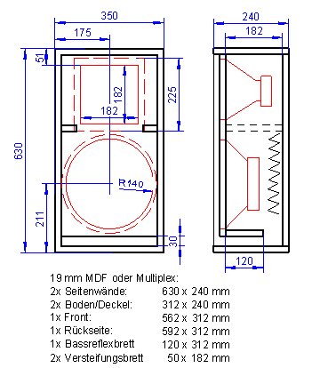
Das Gehäuse


Das Gehäuse besteht aus 19 mm Platten; es ist sehr einfach aufzubauen, da alle Holz-Teile rechtwinklig sind. Der Eintritt zur Bassreflexöffnung sollte unbedingt angephast werden.

Die Frequenzweiche wird auf Holz montiert und dann an einem freien Platz befestigt. Das Terminal wird auf der Rückseite eingebaut.

Für HiFi-Betrieb empfehlen wir neben dem 1/4 Matte Noppenschaum, der auf der Rückseite angebracht ist, außerdem noch 1 1/2 Pack Polyesterwatte pro Box, durch letzteren reduziert sich die Belastbarkeit auf 300 Watt (Wärmeabfuhr!)

Die Frequenzweiche

Die Frequenzweiche ist mit hochwertigen Bauteilen (Folienkondensatoren, Luftspulen und eine i-Kernspule) versehen; sie liegt der Baubeschreibung bei.

Unser Bausatz

Zu unserem Bausatz liefern wir:
- RCF Horn H100
- mit Treiber D2544/16 Ohm
- 1 Tieftöner Eminence Kappa 12
- eine Speakon NL4-MPR-Buchse
- 1/2 Dichtband
- 25 x 30 cm Noppenschaum N25
  (für die Rückwand)
- 8 Inbusschrauben 5x30 mm
- 12 PAN-Schrauben 3,5 x 17 mm
- 2 Meter Kabel 2x1,5 mm2
- den Bauplan

  und für die Frequenzweiche,
  die auf Holz aufzubauen ist:
- Sicherungselement für Hochtöner
- hochbelastbare I-Kernspule
- Luftspule, 1,0 mm
- Folienkondensatoren,
  die meisten davon MKP
- 3 Widerstände

Preis pro Box ohne Gehäuse und Holz:   - nicht lieferbar

Hinweis: oder auf Wunsch liefern wir statt der Speakon Buchse
zum gleichen Preis ein Terminal mit 2 vergoldeten Messingklemmen.

Falls Sie die Weiche lieber auf einer Leiterplatte mit Cu-Inseln aufbauen und frei verdrahten:
Preis der Leiterplatte 205 x 140 mm EUR 11,80 ohne MwSt: € 9.92 / $ 11.70