Lautsprecherbau Grundlagen der Elektrotechnik Verstärkergrundlagen

Der Transistor, Grundlagen

Dr.-Ing. Peter Strassacker
Email: peter@lautsprechershop.de
 
Der Transistor ist ein elektronisches Bauelement das zum Verstärken und Schalten von elektrischen Strömen oder Spannungen eingesetzt wird. Es gibt bipolare Transistoren und Feldeffekttransistoren (FET). Man kann sich den bipolaren Transistor/Feldeffekttransistor als steuerbare Stromquelle/steuerbaren Widerstand vorstellen, die/der von einem Eingangsstrom/einer Eingangsspannung gesteuert wird.

Der bipolare Transistor hat in der Regel 3 Anschlüsse: die Basis (B), den Emitter (E) und den Kollektor (C).

Funktionsprinzip des Bipolartransistors.

Der gängigste Transistor ist der NPN-Transistor. Die Bezeichnung kommt von den Halbleiterschichten, die negativ - positiv - und wieder negativ dotiert sind.

Der Transistor ist so gesehen wie zwei verschaltete Dioden aufgebaut. Am Kollektor (C) liege eine positivere Spannung (genauer Potential) als am Emitter (E). Die Basis-Emitter-Spannung steuert den Transistor (den Kollektor-Strom).

Wenn zwischen Basis und Emitter die Spannung 0,5 ... 0,7 V übersteigt, fließt in der Basis-Emitterstrecke ein Strom. Dieser sorgt beim Transistor für einen hohen Kollektorstrom IC = Stromverstärkung * IB.

Baut man den Transistor mit Dioden nach (Dioden-Ersatzschaltbild) dann funktioniert er nicht, denn die Kollektor-Emitter-Stecke, also die oben gezeichnete Diode, wird nicht leiten. Dazu hat sie auch keinen Grund, denn sie ist in Sperrrichtung gepolt; die Ladungsträger werden abgesaugt.

Beim Transistor bringt die Basis-Emitter-Strecke die Ladungsträger in die Nähe des Kollektors, so dass sie dann Richtung Kollektor abwandern; der Hauptstrom fließt dann in der Kollektor-Emitter-Strecke.

Der bipolare Transistor ist also ein Bauelement, das bei einer Spannung von über 0,5 ... 0,7 V an der Basis-Emitter-Strecke die Basisdiode leiten lässt und damit auch die Kollektor-Emitter-Strecke zum Leiten bringt; hier kann dann ein deutlich höherer Strom fließen, der um den Stromverstärkungsfaktor höher ist, als der Basis-Strom.

Transistoren mit unterschiedlicher Polarität.

Transistorschaltung Der oben beschriebene Transistor ist ein NPN-Transistor (Pluspol am Kollektor, Minus am Emitter). Daneben gibt es auch PNP-Transistoren (Minuspol am Kollektor, Plus am Emitter).

Nachfolgend stellen wir die Grundschaltungen anhand eines NPN-Transistors vor (Emitterpfeil zeigt von der Mitte weg). Der Pfeil am bipolaren Transistor zeigt die technische Stromrichtung an (von Plus nach Minus).

Die Grundschaltung einer elementaren Verstärkerstufe ist danach benannt, welcher Anschluss des Transistors dem Eingang und dem Ausgang gemeinsam ist.

Da die drei Grundschaltungen völlig unterschiedliche Eigenschaften haben sind sie nachfolgend beschrieben:

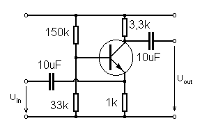
Die Emitterschaltung

Die Emitterschaltung ist die meist genutzte Schaltung, da sie Strom und Spannung verstärkt.
Emittorschaltung
Bild oben: die Emitterschaltung
 
Mit den beiden Kondensatoren mit 1 μF und 10 μF links und rechts wird die Gleichspannung ausgekoppelt (unwirksam gemacht). Die beiden linken Widerstände mit 33k und 150kΩ stellen den Arbeitspunkt des Transistors ein. Er muss richtig gewählt werden, damit sich ein passender Stromfluss einstellt. Die Spannungsverstärkung VU ergibt sich aus dem Verhältnis Kollektor-Gesamtwiderstand zu Emitter-Gesamtwiderstand, wobei hier für einen großen Lastwiderstand >20 kΩ näherungsweise gilt:

VU = - RK / RE = - 3,3 kΩ / 1 kΩ = - 3,3

Die Emitterschaltung dreht die Phase zwischen Eingangs- und Ausgangssignal um 180°. Ihre Leistungsverstärkung setzt sich aus dem Produkt aus Strom- und Spannungsverstärkung zusammen; sie erreicht Werte um 10 bis 1000. Der Widerstand am Emitter (Gegenkopplungswiderstand) stabilisiert den Arbeitspunkt, regelt die Spannungsverstärkung und sorgt bei gering eingestellter Spannungsverstärkung für kleine nichtlineare Verzerrungen, solange man den Verstärker nicht übersteuert.

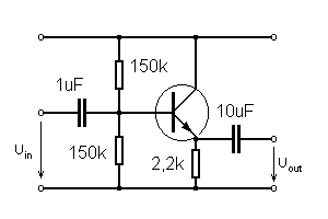
Die Kollektorschaltung

Kollektorschaltung
Bild oben: die Kollektorschaltung
Die Kollektorschaltung ist die einfachste Schaltung. Bei ihr liegt der Kollektor auf gemeinsamem Bezugspotential; die Ansteuerung erfolgt über die Basis gegenüber dem Kollektor. Da der Emitter spannungsmäßig dem Kollektor folgt (die Spannungsverstärkung ist knapp 1) spricht man auch von Emitterfolger. Am Ausgang kann jedoch ein wesentlich höherer Strom abgegeben werden als am Eingang aufgenommen wird; die Schaltung ist somit ein Stromverstärker.

Die Spannungsverstärkung ist < 1,
die Stromverstärkung führt zur Leistungsverstärkung.

Die Basisschaltung

Basisschaltung
Bild oben: die Basisschaltung
Die Basisschaltung ähnelt der Emitterschaltung da auch hier das Eingangssignal die Basis im Verhältnis zum Emitter ansteuert. Der Emitterstrom muss jedoch von der Quelle aufgebracht werden, weswegen hier die Stromverstärkung knapp bei 1 liegt (Kollektorstrom = Emitterstrom - Basisstrom).

Diese Schaltung verstärkt die Spannung; ihre Bedeutung liegt im Bereich von Hochfrequenzverstärkern (über 10 000 000 Hz) oder bei Differenzverstärkern bzw Stromspiegeln.

Die Stromverstärkung ist < 1,
die Spannungsverstärkung führt zur Leistungsverstärkung.

 
zurück zur Übersicht