Lautsprecherbau Grundlagen der Elektrotechnik Verstärkergrundlagen

Der Transistor, Grundlagen zur Verstärkung

Dr.-Ing. Peter Strassacker
Email: peter@lautsprechershop.de
 

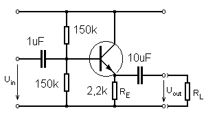
Die Spannungsverstärkung

Wenn man die Spannungsverstärker berechnen will sind nachfolgende Zusammenhänge in der Kollektor- und Emitter-Schaltung hilfreich:
  Spannungsverstärkung

a) Ganz links ist die Kollektorschaltung (auch Emitterfolger genannt). Solange die Spannung am Emitterwiderstand größer als 1 Volt ist, so gilt die Näherung recht gut, dass die Spannungsverstärkung VU etwa 1 ist.

b) In der Mitte ist die Emitterschaltung ohne Emitterwiderstand zu sehen. Wenn der Arbeitspunkt richtig eingestellt ist, und der Transistor nicht an der Aussteuerungsgrenze betrieben wird, so lässt sich die Spannungsverstärkung mithilfe der Temperaturspannung UT berechnen; sie ist: VU = URc / UT. Bei einer Kollektor-Widerstands-Spannung von URc von 10V ist die Spannungsverstärkung somit VU = URc / UT = 10V / 0,026V = 385.

c) Rechts im Bild der Transistor in Emitterschaltung mit Emitterwiderstand. Für Emitterspannungen URe > 1V ist die Spannungsverstärkung VU = URc / URe.

Man versteht nun auch, warum die vereinfachten Formeln im linken und rechten Bild gelten. Wenn beispielsweise im rechten Bild die Spannung am Emitterwiderstand URE nahe 0 Volt ist (da beispielsweise der Emitterwiderstand 0 Ohm hat), so ist zu rechnen, als wären es 0,026 V (Fall b).

erste Gedanken zur Stromverstärkung

Wie wir oben gesehen haben, ist die Kollektorschaltung (auch Emitterfolger genannt) die Schaltung, die den Strom verstärkt. Im Bild unten ist ein Lastwiderstand RL eingezeichnet um die Eigenschaften der Schaltung zu besprechen. Kollektorschaltung

Bei der positiven Halbwelle einer Schwingung
liefert der Transistor den Strom.

Bei der negativen Halbwelle liefert der Widerstand
RE den Strom. Er liefert das Maximum,
wenn der komplette Strom durch RE in den
Widerstand RL fließt.

Man erkennt, dass der Widerstand RE klein sein muss,
damit er möglichst viel Strom liefern kann. Damit wird
jedoch die Verlustleistung der Schaltung groß, denn der Strom wird im Falle geringer Aussteuerung ja durch den Transistor fließen.

Tietze und Schenk zeigen in Ihrem Standardwerk "Halbleiterschaltungstechnik" (bei Amazon anschauen), dass der maximale Wirkungsgrad mit einem Sinus-Signal bei Vollaussteuerung 6,25% beträgt. Das ist wenig, weswegen nachfolgend der komplementäre Emitterfolger vorgestellt wird.

komplementärer Emitterfolger

Verzichtet man in der Schaltung oben auf den Widerstand RE, so fehlt eine Quelle, die das Potential gegen negatives Potential (-) zieht. Was liegt näher, als hier ebenso einen Transistor zu verwenden - so wie der erste Transistor, ebenfalls als Kollektorstufe (auch Emitter-Folger genannt), der jedoch in Richtung negatives Potential zieht, wozu sich eine PNP-Transistor (Pfeil anders herum) eignet: Emitterfolger, komplemantär

Dies ist im Bild links realisiert.

Vs+ und Vs-,
sind die positive und negative Versorgungsspannung.

Die Transistoren leiten jeweils, wenn das Basis-Potential
beim oberen Transistor 0,45 ... 0,7 V höher ist als das
Ausgangspotential, bzw wenn es um den Btrag negativer ist
beim unteren Transistor,

Das Bestechende daran: Es fließt nur Strom, wenn tatsächlich eine Last dies erfordert. Dennoch ist hier der Wirkungsgrad nicht 100%, denn ein Teil der Spannung wird ja im Transistor in Wärme umgestet. Bei einer Ansteuerung mit Sinussignal lassen sich bei Vollaussteuerung im unverzerrten Bereich um 78% Wirkungsgrad erreichen (aus Tietze und Schenk).

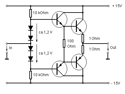
komplementärer Emitterfolger als Leistungsendstufe

Unser komplementärer Emitterfolger oben hat noch zwei Nachteile:

a) Normale Leistungstransistoren haben eine Stromverstärkung um 20 ... 100; in den meisten Leistungsverstärkern wird mehr benötigt.
b) Im vorangehenden Kapitel wurde erwähnt, dass der Emitterfolger erst oberhalb einer Basis-Emitter-spannung von 0,45 ... 0,7 V leitend wird. Das Eingangssignal wird also bei kleinen Amplituden nicht verstärkt.

Beides leistet nachfolgende Schaltung, die mit einer Versorgungsspannung von +/-15 V versehen wurde: Emitterfolger, komplemantär
a) Um eine höhere Stromverstärkung zu erhalten, wurden zwei Transistoren kaskadiert; der erste Transistor kann am Emitter dann ca. den 20 ... 100-fachen Strom wie an der Basis haben, der zweite Transistor verstärkt ebenso nochmals 20 .. 100-fach, so dass die Gesamtverstärkung beim Produkt der Einzelverstärkung - also bei 400 .. 10000 liegt.

b) Um die Basis-Emitter Spannung von 0,5 .. 0,7 V - die hier insgesamt 4-fach auftritt, da 4 Basis-Emitter-Strecken vorhanden sind - zu kompensieren, wurde die Eingangsspannung nicht direkt in die Transistoren eingekoppelt, sondern über 4 Dioden. Somit hat die Basis des oberen Transistors eine Vorspannung, so dass dieser Transistor bereits bei der geringsten Aussteuerung leitend wird; ebenso der untere Transistor.

Damit aufgrund der Vorspannung kein zu großer Emitterstrom fließt, kann man die Dioden auf 2 Stück reduzieren oder man kann jeweils einen Emitterwiderstand - wie hier im Bild mit 1 Ohm zu sehen - einfügen.

Da die optimale Basis-Emitter-Vorspannung in realen Verstärkern
a) temperaturabhängig ist
b) passend eingestellt sollte (Ruhestrom der Endstufentransistoren)
wird in der Regel ein Transistor zur Konstanthaltung verwendet, der dann auch gleich auf dem Kühlkörper der Endstufentransistoren montiert wird, so dass sich die Vorspannung an die Temperatur der Endstufentransistoren anpassen kann.
 
zurück zur Übersicht